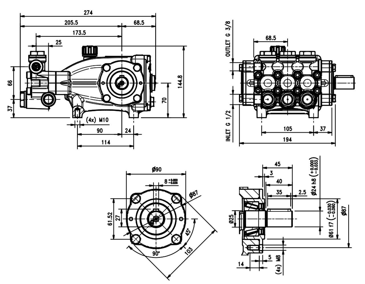
Hawk HD-pomp NMT1520LN


De hogedrukpompen in de NMT-vernikkelde serie zijn het resultaat van diepgaand laboratoriumonderzoek uitgevoerd door HAWK-technici, met als doel de klassieke NMT-serie pomp te verbeteren door de kop met nikkel te coaten om deze corrosiebestendig en dus beter bestand tegen slijtage. De hogedrukpompen in de NMT-vernikkelde serie hebben dezelfde druk en vermogen als de standaardserie en zijn ook ideaal voor bijzonder moeilijke, langdurige soorten werkzaamheden. Dit type pomp wordt het meest gebruikt in machines voor het reinigen van auto’s en andere transportmiddelen, in wasstraten voor tunnels, evenals machines die worden gebruikt voor het reinigen van de buitenoppervlakken van huizen, lage muren, poorten, afvalcontainers, straten en trottoirs.
Â
Â
Productspecificaties
- Artikelnummer
- 1.099-358.0
- Druk
- 200 bar
- Debiet
- 15 l./min
- As maat
- 24 mm
- Materiaal pompkop
- Vernikkeld

 Lagedruk
Lagedruk Lagedruk slangarmaturen
Lagedruk slangarmaturen Slangen en toebehoren
Slangen en toebehoren Lagedruk pistolen
Lagedruk pistolen Waterfilters
Waterfilters Vlotterbak
Vlotterbak Ventieltechniek
Ventieltechniek Dosseerpompen
Dosseerpompen Wateronthardertechniek
Wateronthardertechniek Motoren  en aandrijving
Motoren  en aandrijving Brandstofmotoren + aandrijving
Brandstofmotoren + aandrijving Elektromotoren + aandrijving
Elektromotoren + aandrijving Brandertoebehoren en verwarmingspiralen
Brandertoebehoren en verwarmingspiralen Branderspiralen
Branderspiralen Brandermotoren
Brandermotoren Rookafvoer
Rookafvoer Brandstofnozzles
Brandstofnozzles Transformatoren
Transformatoren Elektroden
Elektroden Brandstofpomp toebehoren
Brandstofpomp toebehoren Hogedrukpompen en onderdelen
Hogedrukpompen en onderdelen Hogedrukpompen
Hogedrukpompen Onderdelen hogedrukpompen
Onderdelen hogedrukpompen Drukregeling en veiligheid
Drukregeling en veiligheid Bypass
Bypass Overdrukventiel
Overdrukventiel Flow-switch
Flow-switch Drukbol
Drukbol Drukschakelaar
Drukschakelaar Manometer
Manometer Terugslagklep
Terugslagklep Schroef / snelkoppelingen en swivels
Schroef / snelkoppelingen en swivels Meest verkochte koppelingen
Meest verkochte koppelingen Hogedruk snelkoppelingen
Hogedruk snelkoppelingen Swivels
Swivels (Draaibare)schroefkoppelingen
(Draaibare)schroefkoppelingen Schroefkoppelingen
Schroefkoppelingen Hogedruk slangverbinders en adapters
Hogedruk slangverbinders en adapters Afdichtingsmiddel en bonded seals
Afdichtingsmiddel en bonded seals Knelkoppelingen
Knelkoppelingen Hogedrukslangen en armaturen
Hogedrukslangen en armaturen Hogedrukslang armaturen en toebehoren
Hogedrukslang armaturen en toebehoren Hogedrukslangen
Hogedrukslangen Knikrubbers
Knikrubbers Hogedrukpistolen, lansen en koppelingen
Hogedrukpistolen, lansen en koppelingen Pistolen
Pistolen Hogedruk spuitlansen
Hogedruk spuitlansen Koppelingen voor pistolen en lansen
Koppelingen voor pistolen en lansen Nozzlehouders
Nozzlehouders Nozzles, vuilfrezen en toebehoren
Nozzles, vuilfrezen en toebehoren Vuilfrezen
Vuilfrezen Nozzles
Nozzles Nozzlehouders
Nozzlehouders Nozzle toebehoren
Nozzle toebehoren Injectortechniek
Injectortechniek Injectoren
Injectoren Injectorsproeiers
Injectorsproeiers Toebehoren
Toebehoren Schuimlansen
Schuimlansen ST-73
ST-73 ST-73 onderdelen
ST-73 onderdelen LS10
LS10 ST-75
ST-75 ST-75 sproeiers
ST-75 sproeiers ST-72
ST-72 Overige
Overige Schuimtoebehoren
Schuimtoebehoren Schuim en chemiepistolen
Schuim en chemiepistolen Carwash
Carwash Wasborstel met handvat
Wasborstel met handvat Wasborstels voor steel
Wasborstels voor steel Borstel steel
Borstel steel Carwash borstels
Carwash borstels Aftrekkers
Aftrekkers Voorsproei units
Voorsproei units Pistolen en handgrepen
Pistolen en handgrepen Lanshouder
Lanshouder Zwaaiarm plafond montage
Zwaaiarm plafond montage Zwaaiarm muur montage
Zwaaiarm muur montage Borstel houders
Borstel houders Voor de matten
Voor de matten Stationair
Stationair Haspels en toebehoren
Haspels en toebehoren Leidingen en bevestigingsmaterialen
Leidingen en bevestigingsmaterialen Kogelkranen hogedruk
Kogelkranen hogedruk Knelkoppelingen 24° konus
Knelkoppelingen 24° konus Magneetkleppen
Magneetkleppen Ophang/kabelsysteem voor slangen
Ophang/kabelsysteem voor slangen Stofzuigertechniek
Stofzuigertechniek Stofzuiger toebehoren
Stofzuiger toebehoren Stofzuiger filters
Stofzuiger filters Stofzuigmotoren
Stofzuigmotoren Oppervlaktereiniging
Oppervlaktereiniging Bodemreinigers
Bodemreinigers Muurreiniger
Muurreiniger Hogedrukbodemreiniger toebehoren
Hogedrukbodemreiniger toebehoren Superpads
Superpads Zonnepanelen reinigen
Zonnepanelen reinigen Riool reinigingstechniek
Riool reinigingstechniek Rioolnozzles
Rioolnozzles Rioolslangen
Rioolslangen Toebehoren riooltechniek
Toebehoren riooltechniek Landbouw - Agri
Landbouw - Agri Elektrisch
Elektrisch Transformator
Transformator Kasten
Kasten Aansluitmaterialen
Aansluitmaterialen Bediening
Bediening Beveiliging
Beveiliging Magneetschakelaars
Magneetschakelaars Thermostaten
Thermostaten Tijdrelais
Tijdrelais Relais
Relais Urentellers
Urentellers Sturing
Sturing Stickers
Stickers Stekkers
Stekkers Lagedruk
Lagedruk Hogedruk
Hogedruk Schuim & Chemie
Schuim & Chemie Carwash & Terrein
Carwash & Terrein Speciale Toepassingen
Speciale Toepassingen Elektrisch materiaal
Elektrisch materiaal Promoties
Promoties Tweedekans - Buitenkans
Tweedekans - Buitenkans












