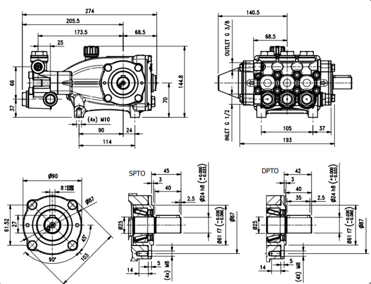
Hawk HD-pomp NMT1520SR


Productomschrijving
NMT1520SR
Productspecificaties
- Artikelnummer
- 1.099-355.0
- Druk
- 200 bar
- Debiet
- 15 l./min
- As maat
- 24 mm
Log in en voeg producten toe door op het icoon te klikken.
 Lagedruk
Lagedruk Hogedruk
Hogedruk Schuim & Chemie
Schuim & Chemie Carwash & Terrein
Carwash & Terrein Speciale Toepassingen
Speciale Toepassingen Elektrisch materiaal
Elektrisch materiaal Promoties
Promoties Tweedekans - Buitenkans
Tweedekans - Buitenkans
Log in en voeg producten toe door op het icoon te klikken.






NMT1520SR
