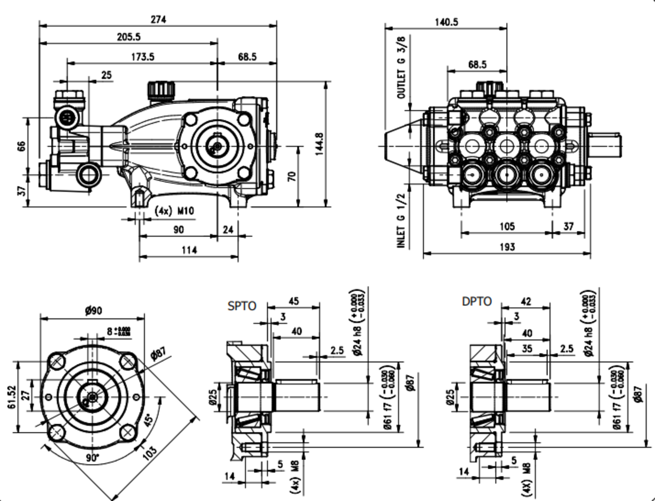
Hawk HD-pomp NMT1520R


De HAWK PUMP NMT1520R is een hogedruk plunjerpomp die is ontworpen voor zware industriële reinigingstoepassingen. Hij kan een maximale druk leveren van 200 BAR en een debiet tot 15 liter per minuut, waardoor hij geschikt is voor veeleisende schoonmaaktaken. De NMT1520R is gemaakt van hoogwaardige materialen, waaronder roestvrij staal en keramiek, die een uitzonderlijke duurzaamheid en weerstand tegen corrosie bieden. De pomp is ontworpen voor eenvoudig onderhoud, met een eenvoudige constructie die een snelle en gemakkelijke toegang tot de componenten mogelijk maakt. De pomp is ook ontworpen om energiezuinig te zijn, met een laag stroomverbruik dat de operationele kosten helpt te verlagen. De NMT1520R is een betrouwbare en efficiënte oplossing voor een reeks reinigingstoepassingen, waaronder oppervlaktevoorbereiding, tankreiniging en leidingreiniging. Hij kan worden gebruikt met verschillende reinigingsmiddelen, waaronder water, detergenten en oplosmiddelen, waardoor hij een veelzijdige keuze is voor industriële reinigingswerkzaamheden.
Productspecificaties
- Artikelnummer
- 1.099-052.0
- Druk
- 200 bar
- Debiet
- 15 l./min
- As maat
- 24 mm
Lagedruk
Lagedruk slangarmaturen
Slangen en toebehoren
Lagedruk pistolen
Waterfilters
Vlotterbak
Ventieltechniek
Dosseerpompen
Wateronthardertechniek
Motoren en aandrijving
Brandstofmotoren + aandrijving
Elektromotoren + aandrijving
Brandertoebehoren en verwarmingspiralen
Branderspiralen
Brandermotoren
Rookafvoer
Brandstofnozzles
Transformatoren
Elektroden
Brandstofpomp toebehoren
Hogedrukpompen en onderdelen
Hogedrukpompen
Onderdelen hogedrukpompen
Drukregeling en veiligheid
Bypass
Overdrukventiel
Flow-switch
Drukbol
Drukschakelaar
Manometer
Terugslagklep
Schroef / snelkoppelingen en swivels
Meest verkochte koppelingen
Hogedruk snelkoppelingen
Swivels
(Draaibare)schroefkoppelingen
Schroefkoppelingen
Hogedruk slangverbinders en adapters
Afdichtingsmiddel en bonded seals
Knelkoppelingen
Hogedrukslangen en armaturen
Hogedrukslang armaturen en toebehoren
Hogedrukslangen
Knikrubbers
Hogedrukpistolen, lansen en koppelingen
Pistolen
Hogedruk spuitlansen
Koppelingen voor pistolen en lansen
Nozzlehouders
Nozzles, vuilfrezen en toebehoren
Vuilfrezen
Nozzles
Nozzlehouders
Nozzle toebehoren
Injectortechniek
Injectoren
Injectorsproeiers
Toebehoren
Schuimlansen
ST-73
ST-73 onderdelen
LS10
ST-75
ST-75 sproeiers
ST-72
Overige
Schuimtoebehoren
Schuim en chemiepistolen
Carwash
Wasborstel met handvat
Wasborstels voor steel
Borstel steel
Carwash borstels
Aftrekkers
Voorsproei units
Pistolen en handgrepen
Lanshouder
Zwaaiarm plafond montage
Zwaaiarm muur montage
Borstel houders
Voor de matten
Stationair
Haspels en toebehoren
Leidingen en bevestigingsmaterialen
Kogelkranen hogedruk
Knelkoppelingen 24° konus
Magneetkleppen
Ophang/kabelsysteem voor slangen
Stofzuigertechniek
Stofzuiger toebehoren
Stofzuiger filters
Stofzuigmotoren
Oppervlaktereiniging
Bodemreinigers
Muurreiniger
Hogedrukbodemreiniger toebehoren
Superpads
Zonnepanelen reinigen
Riool reinigingstechniek
Rioolnozzles
Rioolslangen
Toebehoren riooltechniek
Landbouw - Agri
Elektrisch
Transformator
Kasten
Aansluitmaterialen
Bediening
Beveiliging
Magneetschakelaars
Thermostaten
Tijdrelais
Relais
Urentellers
Sturing
Stickers
Stekkers












